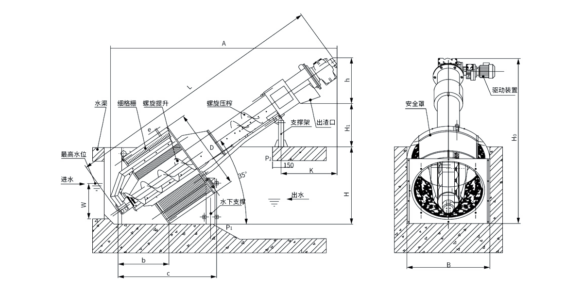
Drum Bar Screen Machine
Rotary drum screens are widely applicable in wastewater treatment projects for municipal sewage, industrial effluents, food processing, and papermaking industries. This equipment removes floating scum, short fibers, and suspended solids from water intake points, then discharges them after squeezing and dewatering. Suitable for high-precision treatment, it is ideal for wastewater treatment scenarios requiring smaller screen gaps and shallower channel depths.
English
русский 











