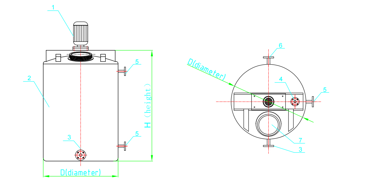
Semi-Automatic Dosing Device
In industries such as water treatment, chemical processing, and textile dyeing, it is often necessary to add another solution to water or other liquids at a specific ratio. Since the production process is continuous, this addition must also be continuous. Examples include adding coagulants, flocculants, and disinfectants in water treatment; adding scale inhibitors in cooling towers; and the timed, metered addition of chemical agents, acids, and alkalis in chemical processing and dyeing. These applications necessitate equipment capable of both preparing solutions and delivering chemicals in a timed, metered manner—precisely the fundamental functions provided by semi-automatic chemical dosing systems.
English
русский 













